写真x

CMC カタログ写真

写真00
とびら写真と違い、スリングの止め方は、このカタログ写真の方法が正式です。 しかし、短くなりますので実際の戦場ではもっと長い止め方の写真も見られるそうです。

登場広告

写真01 1980年4月号のGun誌 に登場します。昭和で言えば55年ですので、すでに52年規制の後なのでsmGマーク時代です。 したがってガス抜けのCMCトンプソンは存在しません。ガスバイパス式です。
この数ヶ月前にハドソンからトンプソンM1A1 が新製品で発売されたばかりでしたので、CMCとしてはハドソンと同じじゃありませんと 広告の中に注意書きでハンマーとファイアリングピンが存在していますと書かれています。

価格は、翌月号に載っていてハドソンより 2,000円高い 33,000円です。


外 観

写真11 写真12

のちのCAW 製品と違ってマズル部は一体成型でピンだけ別パーツです。リアサイトは、ちゃんと反射防止チェッカーが 入れられています。


ハンマー部

写真15 写真16 CMC 最大の特徴であるハンマー部ですが、なんとも地味でマニアックなところです。 言われないと全く気づきませんね。

実銃のハンマーは、もっと三角形がきつい形状のようです。 設計が古い銃は、完全閉鎖の前に発火しないように、サブマシンガンでもファイアリングピンが独立して存在して いるものが多いです。

CMC としては先行のハドソンとの違いを出したかったのか、はたまた最初からM1 を開発していたのか?定かではありませんが、 ハドソンの方が値段が安いので、きっとそちらの方が売れ行きが良かったのではないかと想像します。


仕上げ

写真13 ここに2丁CMC がありますが、上の物はブルー仕上げで、おそらく手が加えられていると思います。 下のすこし赤茶色の塗装のような仕上げがCMC のオリジナルではないでしょうか?
写真14 オリジナルと思われる仕上げ状態です。

刻 印

写真05 写真06

写真07 写真08

写真09 写真10


メ カ

写真02 エキストラクタは、頑張ったけれど外せませんでした。おそらく前方にスライドさせるのだと思うのですが ビクともしませんでした。チャンバー部はピンとネジにて止まっています。 分解組み立てもしやすく良いモデルガンだと思います。

下に実銃写真を載せていますが、全く同じ作りに感動します。実銃の方はM1A1 ですのでファイアリングピン、ハンマーはありません。CMC は、一ヶ所だけ違っていまして、リコイルスプリングがCMC の方が実銃よりも太くて、分解の際に実銃のように水平に抜き出すことは出来ません。ハドソンのトンプソンでは再現されています。


写真04 ハドソンのトンプソンも同様ですが、内部パーツは実銃同様に作られています。じつに良く出来ています。

ピストン・カート

カート広告写真 wiki によると1979年にMG キャップ火薬が開発されたらしい。それ以降、キャップ火薬を使用した閉鎖系カートリッジが 各社から誕生しました。一番は、マルシンのプラグファイアだと思います。素晴らしい性能でしたが、音が出ませんでしたね。
カート1写真 マルシンの後ぐらいにこのCMC ピストンカートなるものが開発されたようです。性能はどうだったのでしょうか? この中古で入手したモデルは、10個のカートが付属していましたが、4個しか発火していませんでした。 その程度な性能だったのか、良くは分かりません。

紙 箱

写真03 何だか手書きのようなフォントの紙箱です。スリングとオイラーは、付属品だったのでしょう。 マガジンは20連が標準で30連は、別売りでした。CMC 解散が近くなりますとユーザーがマガジンをどちらか選択できたような 広告も見かけます。

分解法

分解法 分解法Bのリコイルスプリングの抜き方は、実銃の方法でハドソンはこの方法で外せますが、CMC とタナカはリコイルスプリングが 穴よりも太いので上方向に外さないといけません。マニュアルを作った当時は、スプリングサイズも実銃同様だったのでしょう。
分解ビデオ 私の持っている個体だけかもしれませんが、分解ラッチがいちいちストックのボルト穴にはまり込みます。当然そこで ストップ・ロックしますので面倒です。実銃はビデオ写真のようにボルト穴は貫通していないのです。よってCMC のネジ穴も 金属パテなどで埋めると分解動作が簡単になります。

上記紹介のビデオ
https://www.youtube.com/watch?v=Zjp7DTGCV58

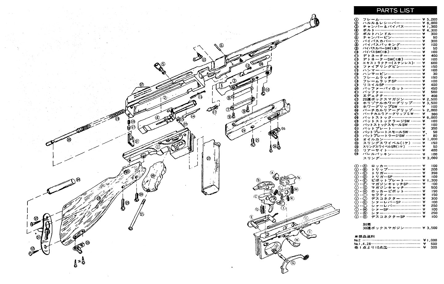
分解図

分解図