実物もモデルガンも大変レアで入手不能であるので、ネットで(米国のフォーラム)見つけた分解図すら貴重なので 勝手に載せています。モデルガンをお持ちの方がいらしたらぜひ写真をご提供ください・・・と書いていましたら。
写真感謝
|
■■■ エアガン・モデルガン買取 ■■■ 株式会社 三月うさぎの森 くれいも屋 【 https://claymoya.com/ 】 |
なお、同社さんのページは下記となっています。
通販ページ https://www.beep-shop.com/ec/products/list?mode=&category_id=1062&name=&pageno=6&disp_number=50&orderby=2&instock=1 ショウエイ G43 詳細ページ https://www.beep-shop.com/ec/products/detail/44894 買取サイト https://claymoya.com/
実物と比較
頂いた写真を実物写真と比較してみました。何も言うことはありません、そっくりです。ZF-4 というスコープまで
バッチリ出来ています。合板ストックまでコピーされているとは知りませんでした。素晴らしい!すごく手間がかかったモデルガンです。
実銃のオークションページのURL はこちら
スコープについての個人的意見ですが、この銃への装着はスナイパー用ではなくって、一般の兵士の命中率向上のための物だったのではないでしょうか?何故ならすべてのG43 に取り付けられる仕様になっていたからです。しかし、スコープ生産の方が間に合わなくて、セットされたものは生産数の約一割だったようです(英語版Wiki より)。
ac記号は、もちろんワルサー社を表します。359っていうのはWaA 359 が本当なのかも?ドイツ軍の検査証明マークです。エルマ社などにも359は見られます。
●ご参考ページ
ちなみにそのページの下にある南部銃器さんの広告が懐かしいです。私は、そちらへお邪魔させていただいたことがあるのです。
本物の軍用ライフルがずらりと並んでいてビックリしました。またMGC がモデルガン化したレミントンM31 もありました。
全部本物、撃てる鉄砲です。濃いひげで丸顔の店長がなんとも懐かしく思い出されます。
ガンズダイジェスト 2007 に載っていました。2010 年版からは掲載されていません。
ここにも250丁限定と書かれていますね。表示価格は5%の消費税込みです。
Gun 誌 2003年3月号の明和模型さんの広告にブローバック版が載っていました。
1999年の登場広告にはブローバックキット近日発売となっていますので少量発売されたものでしょう。
本体だけでも珍しいのにブローバック版ってかなりのレアですね。
2018年8月ごろ空気を圧縮して発射するシステムを搭載したG43 エアガンが発売されました。
モデルガンのG43は、もう製作しないと松栄さんは宣言していましたので、G43 を手に取りたいのなら
このエアガンしか選択肢はありません。定価は22万くらいだったようです。
https://www.german-smallarms.com/
https://www.asahi-net.or.jp/~th7k-nktn/index.html
こちらのページの中の「てっぽうのページ」→「ドイツ」→「G43 」の紹介ページは、多くの写真で大変参考になりました。
https://www.youtube.com/watch?v=iFNYcUoCUFA
写真を提供していただき有難うございました。
https://www.ima-usa.com/products/original-rare-german-wwii-gewehr-43-g43-rifle-with-zf-4x-scope-instruction-manual-karabiner-43?variant=32074767237189
外 観
個人的見解
ドイツの軍上層部には一発必中信仰が強かったようで、Kar98 にも一般兵用にたいへん見にくいスコープが装着されていました。
この信仰のおかげでバレルに穴をあけてガスを導く自動小銃の開発は遅れたようです。命中精度が落ちる可能性に抵抗があったのでしょう、おかげで機関銃のMG34 やMG42 は反動式でガス式ではありません。アサルトライフル発明の国なのに軍の上層部には古い思考の人が多かったのでしょう。でもそのわりに銃剣装着機構は省略されています(MP44 でも)。合理的な人たちとそうでもない人たちが
同居していたのかもしれません。
合板ストック
なんて手が込んだモデルガンでしょう、合板ストックが見事に再現されています。実銃が作られた1943年くらいでは、世界でも合板技術は最先端の物だったようで、工業先進国のドイツくらいしか軍用銃への応用は見られません(日本でも試作品には見られます)。
刻 印
メ カ
なんともメカメカしいボルトフェイスです。個人的意見ですが、ワルサーの設計ライフルは、なんだか複雑なものが多いようです。Mkb42(W) なんか典型的です。
FG42 やMKb42(H) などに比べるとボルト構造が複雑ですね。
登 場
1999年9月号のGun 誌に初回ロットの広告がありました。250丁限定。いったい何ロットまで生産されたのかは
分かりませんが、2019年現在のオークション出品から見ると、相当に少ないまさにマボロシです。
ホビーフィックスの64式小銃よりも圧倒的に少ないようです(個人的見解)。
2007 ガンズダイジェスト
ブローバックモデル
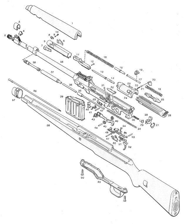
分解図
こちらは実物の分解図ですが、6番7番に特徴あるロッキングラグが見られます。残念なことに、ショウエイさんのボルトでは省略されているようです。
実物の分解図はこちらから取ってきました。エアガン登場
この写真は台湾のミリタリー雑誌 QRF.MAG に掲載されたものをショウエイさんのホームページから拝借したものです。
参考資料
ネット上には、たくさん上がっていますが、ひとつだけ紹介しておきます。
写真を使わせていただきページを書きました。
実物マニュアル
たいへん珍しいマニュアルが載っているページを見つけましたので紹介しておきます。