友人の物を撮影させていただいたものですが、よく見るとフロントサイトカバーがずれていますね。 大失敗でした。
現代へと続くアサルトライフルの元祖、MP44 です。
ヒトラーが戦意高揚を込めて突撃銃(StG)と改名したおかげで
現代でも英語読みであるアサルトライフルという名称が使用されています。
フルサイズ弾薬をあきらめて、実戦射程を確保しフルオート射撃を可能にした名銃と言えます。
設計リーダーのヒューゴ・シュマイザーさんの名前は、あまり好まれないのか、この銃の説明には登場しないことが多いです が、天才的レイアウト、そつない配置は、戦後の AK-47や米軍のM-16 などにも影響を見ることができます。 この銃には、当時のドイツの工業力の高さが詰まっています。
登 場
95年のガンズダイジェストに掲載されていますので、94年に登場したと思われます。
価格は税抜きでしょう、ちなみにこのころは消費税率3%です。
1994年10月号のGun 誌にくろがねさんが記事を書いていますので、発売は8月ごろだったのではないでしょうか?
バリエーション
以前からMP43 などのバージョンも少数存在していたことは知っていましたが、 2021年2月にフジカンパニーからの発注により少数製作すると告知されました。 刻印以外にどのような違いがあるのか、よく知りませんが、MP44 に加えて以下の2バージョンが 発売されました、松栄さんのWEB によると合計で100丁だそうです。
2021年9月時点で定価は税抜き 138,000 円、1994年7年前にデビューしたころは 95,000 円ですから1.5倍くらいに
値上がりしています。世の中はデフレなので貨幣価値は変わらずと考えると、それだけモデルガンを買う人が
いなくなったって事ではないでしょうか?(エアガンは隆盛)
上の写真は、MP43/1 の「MKb42レシーバーVer.」と、MP43 の写真ですが、間違い探しのように似ています。が、ほんの少しだけ違っています。フロントサイトの止め方、 マズルのネジ、リアサイトのリブ、機関部のカーブなどです。詳しくは下記アームズマガジン記事。
https://armsweb.jp/report/3100.html
末期型 MP44
調べてみると以前には、松栄さんから限定で大戦末期型も発売されたようです。2021年9月にヤフオクでも見かけましたので
間違いなく製品化されたようです。
よって、一覧にしてみますとMP 44 シリーズは、以下の6種類が発売になったようです。
- 私は今までMP44 とStG44 は刻印だけが違うモデルが存在していると思っていましたが、ひょっとするとStG は末期型のみしか存在しないのかもしれません。その場合は全部で5種類となります。
| 名 称 | 違い | ||||
|---|---|---|---|---|---|
| マズル | F サイト | R サイト | ストック | 刻印 | |
| MP 43/1 MKb42レシーバーVer. | 長い | 2本止 | リブ有 | 大 | MP43/1 |
| MP 43/1 | 長い | 2本止 | リブ有 | 大 | MP43/1 |
| MP 43 | 短い | 1本止 | リブ無 | 大 | MP43 |
| MP 44 | 短い | 1本止 | リブ無 | 小 | MP44 |
| StG 44 | 短い | 1本止 | リブ無 | 小 | StG44 |
| StG 44 末期型 | ネジ無 | 中央ピン | リブ無 | 小 | StG44 |
以上は、あくまで松栄さんの製品を分類したものです。実際の銃器では、MP43 なのにマズルが長いとか、いろいろ混ざったものもあったようです。
MP 43/1
2021年9月、思い切って鬼の分割払いでMP43/1 を購入しました。フジカンパニーの100丁の分です。分割なら怖いものなしです。
いえ、正確にいうと恐怖は先送りにされただけですが・・・。
MKb レシーバー型では無いのでマガジンキャッチ後ろのフレームは曲線ではありません。
細かな違い
松栄さんは刻印のほか細部にまでこだわっており、すこしの違いが見られます。フロントサイト基部、銃口のネジ部、リアサイト基部にリブあり、などですがストックの大きさはなかなか気づきにくい点です。 とびらに登場の友人のMP44 と、この度購入したMP43/1 のストックを写真で重ねてみました。 グリップ部分がバッチリ合っているのに対してストック上部は、明らかに大きさが異なりますね。 松栄さん見事です。
実銃のMP 43/1 は、MP43 よりも前の生産だそうで、リアサイトのスコープ用リブが他のモデルに無い特徴です。これは 試作銃のMkb 42(H)から引き継がれています。 銃口のネジを外すとグレネード発射器をネジ込めるようになっています。
購入した43/1 のガスプラグに穴は開いていないのですが、MP 44 では穴が開いているようです(やや未確認)。MP 43 ではどうなのかはっきりしていません。
刻印等
トリガーグループの刻印のawtを調べてみました。WaA 21 とawt は同じメーカーでWurttembergische Metallwarenfabrik という
食器メーカです。なんて読むのかよく分かりません。ナイフやフォーク、スプーンの会社ですのでプレスのノウハウを買われたのでしょう。
参 考
- WaA 記号が調べられるページ
https://militariatoday.com/militaria-collectors-references/ww2-german-waffenamt-markings-codes/#google_vignette
- WMF 社の現在のページ
https://www.wmf.com/de/de/
普段は見えない部分のボルトキャリアにも丁寧に刻印が入っています。ボルトの頭はツルツルで実物のように 撃針の穴は開いていません。キャリアにあるマーキングfxoは、ハーネル社を表します。
参考ページ
- MP40 の刻印が調べられるページ
http://www.medalnet.net/mpforty/mpforty_manufacturers.htm
メ カ
通常分解です、といいますか機関部はピン類が実銃同様にカシメられているためにバラせません。
松栄さんでもモデルアップするときに悩んだそうですが、結果実物同様にカシメて再現されています。ただし、実銃と違いグリップ部分は回転軸を外せるようになっているのですが、傷が入りそうなので実行していません。またハンドガードは、ただ、はめ込んでいるだけで、金属板の摩擦だけで保持されています。 プレスを実銃同様に整形しているからこそ再現された姿です。
まことに素晴らしいです。
トリガー機構
Gun 誌95年6月号に本物対モデルガンにショウエイMP 44 が登場していて、その中で組み立て前のパーツを用いて
トリガー機構を解説しています。たいへん参考になります。
フルかセミか忘れましたが、モデルガンでの動作は、ゆっくりとボルトを動かすと誤作動します。
ガチャーンと勢いよくボルトを閉鎖させるとちゃんと動きます。
これはボルトで押さえられるパーツにかかるバネが強いため、勢いよく頭が押されないと
作動しないものです。私の個体だけなのかもしれません。オープン状態で親指でパーツを押さえると分かります。
ワルサーと比較
MP43 として採用される前の試作銃 MKb 42 はハーネル社とワルサー社の物が競作で存在していましたが、ハーネルはオープンボルト で短機関銃のような仕組みでしたが、採用に当たってクローズドボルトにするように指示されました。時間短縮の意味もあって ワルサー社の機構が参考にされたのではないかと私は思います。右イラストの左側がワルサー。よく似ていると思います。
ワルサー銃の写真はこちらから
https://www.lsb-malta.com/en/articles-news/news/52/sturmgewehr-walthers-mkb-42w.htm
無可動と比較
ショウエイさん、作り込みすぎです。無可動実銃と比較していますが、文句なしです。
スポット溶接の跡も再現されています。
オーナー様、貴重な無可動の写真を撮らせていただき有難うございました。
カート
左に見える小さな箱が、当初販売されたときに付属したもののようです。それにはクリップも付属していました。
今回私が購入したものには右の大きな箱に10個入っていましたがクリップは付属していませんでした。また、右写真のようにマガジンに装填するためのガイドもかつてはあったようです(付属か別売りかは?)。
紙 箱
2021年購入時の紙箱です。
参考書籍
maimaiさんは、何でも知っていてすごいですねぇ・・・ということではありませんで、全部
この本の受け売りです。The MKB42, MP43, MP44 and the Sturmgewehr 44
米国のアマゾンで90ドル
−−−−*−−−−*−−−−*−−−−
上記書籍で物足りなくなったので購入。
素晴らしく満足しました。
Sturmgewehr! From Firepower to Striking Power
米国のアマゾンで130ドル
当ページの構造図イラストは全部この本からです。
参考ビデオ
https://www.youtube.com/watch?v=oDK94oQY1mE
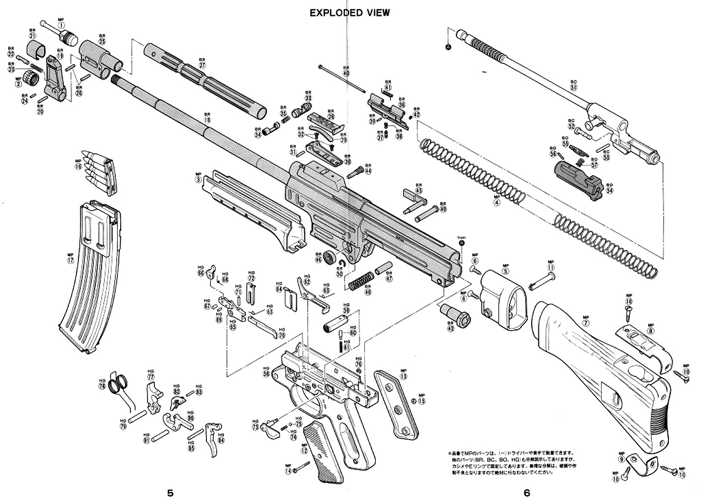
取 説
取説の一部です。分解図
英語ですが、モデルガンフォーラムの http://mp40modelguns.forumotion.net/ から取ってきました。クリック拡大します。うんちく
MP44 は戦時下に量産できるようにプレス加工を多用し、バレルもネジ込みではありませんでした。左上の写真のように バレルはピン止めです。また、チャンバー部分を鉄板で巻きずしのように巻いてレシーバを作成します。そのパーツまでも 売っているのですから、アメリカっていう国はとんでもないところです。左下の分解図は、溶接前の素材の段階から描いていますので大変参考になります。プレスと溶接で成り立っていることが良く分かります。 右下はドイツ製の22ロングライフルの銃ですが米国では500ドルくらいで売っているようです。モデルガンより安くて撃てるなんていいっすね。左上にあったパーツ屋さんのページはこちら、必見です。
https://www.dkproductiongroup.com/
ドイツの22LR 銃はこちら。マニュアルのPDF がダウンロードできます。
https://www.german-sport-guns.com/GSG-StG44-Echtholz-.22lr-HV-Selbstladebuechse/444.00.15
おわりに
MP44 は、大変興味があるので書き足りない気持ちですが、Mkb 42 も入手したのでまたその時にでも書きたいと思います。
写真左はデニックスでルール違反だと思うくらい良く出来ています。マガジンはサムズミリタリ屋さんで中身のないのが4000円くらいで売っているものを購入しました。3個で一万なのでお買い得です。サムズさんは下記です。https://www.sams-militariya.com/item/202012MP44-DUMMY-MAGAZINE/